| Sign In | Join Free | My frbiz.com |
|
Brand Name : NBSANMINSE
Model Number : 6213
Certification : ISO9001
Place of Origin : CHINA
MOQ : 10PCS
Price : Negotiation
Payment Terms : L/C,T/T
Supply Ability : 10000PCS
Delivery Time : 5-30days
Packaging Details : Box
Material : Steel
Valve body : Brass
Coil size : H J K O M
Power : Solenoid,Pneumatic,Hydraulic,2x6.5W(12VDC),2x7W(110VAC)
Operating temperature : NBR for -5~80℃ and VITON for -5~150℃,-15~150°C FOR VITON,EPDM,-29℃ ~ +200℃
Connection : Female Thread,Thread(NPT,Flange End,BSP,BSPT)
Voltage : DC12V DC24V AC24V AC110V AC220V AC380V,AC,±10%,DC
Working temperature : 5-50degree,5~50°C
| Can be combined with | Type description | |
![]() | Type 2518 Cable plug, form A according to DIN EN 175301-803 | The 6213 EV valve is a servo-assisted diaphragm valve of the S.EV series. The diaphragm spring coupling supports the opening process of the valve. In its standard version, the valve is suitable for use in liquids. A minimum dif ferential pressure is required for complete opening. A special version (HP00) which opens the valve without differential pressure is available for gas and vacuum applications. Various diaphragm material combinations are available depending on the application. The range of housings includes brass, stain less steel and gunmetal. Dezincification-resistant brass is available for other markets. To reduce power consumption in operation, coils with Kick and Drop electronics assembly (double coil technology) are available. |
![]() | Type 2513 Cable plug, form A according to DIN EN 175301-803 | |
![]() | Type 1087 Timer, form A according to DIN EN 175301-803 | |
| 1. General technical data | |
| Product properties | |
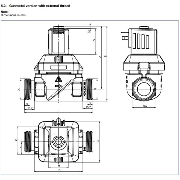
| Dimensions | Detailed infomation can be found in chapter"5.Dimensions"on page 6. |
| Material | |
| Seal | NBR,FKM,EPDM |
| Body | Brass acc.to DINEN50930-6 Stainless steel 1.4408 Gunmetal(extemal thread)DN 10..DN 20 |
| Coil | Polyamide,epoxy (insulation classH) |
| lnner part of valve | Brass body:Brass,stainless steel and PPS Stainless steel body:Stainless steel and PPS Gunmetal body:Stainless steel and PPS(external threadDN 10...DN 20 |
| Orifice | Standard:DN 10..DN40 HP00:DN 13….DN20 |
| Circuit function | Detailed infomation can be found in chapter"2.Circuit functions"on page 4. |
| Performance data | |
| Duty cycle | 100%continuous rating;KD coil max.rating 6 circuit switches/minute |
| Switching timelAC/DC | |
| DN 10..DN 13 | Opening:10.….100 ms Ciosing:100...200 ms Opening:200...300 ms Ciosing:400...700 ms Opening:30400 ms Closing:800...1400 ms |
| DN 20 | |
| DN 25..DN 40 | |
| Electrical data | |
| Operating voltage | Standard:024/DC,024/50,230/50,110/50,120/60 HP00:024/DC,24V(50..60 Hz),230V(50...60 Hz) |
| Power consumption | Depending on orifice and coil size For detailed infomation,see "6.Performance specifications"on page 11 |
| Voltage toleranoe | ±10% |
| Medium data | |
| Operating medium | |
| NBR | Neutral fluids,water,hydraulic oil,oil without additives |
| FKM | Per-solutions,hot oils with additives |
| EPDM | Oil and fat-free fluids and gases |
| Medium temperature | |
| NBR | -10C….+80℃ |
| FKM | 0℃…+90Cwith polyamide coil 0℃.…+120℃with epoxy coil |
| EPDM | -30°C…+90℃ with polyamide coil |
| -30°C….+100℃ withepoxy coil | |
| EPDM with dninking water approval according to UBA | Application range of cold and hot water up to+60°℃ |
| Viscosity | Max.21mm²/s |
| Process/Port connection &communication | |
| Bectrical connection | Tag connector acc.to DINEN175301-803 fom A (see"8.4.Ordering chartaccessories"on page 29 |
| Approvals and certificates | |
| Degree of protection | IP65IP65 with cable plug Type 2518▶ 4XNEMA with stainless steel version and cableplug Type 2509▶ |
| Environment and installation | |
| Installation | As required,preferably with actuator upright |
| Ambient temperature | Max.+55℃ |
| .)Measrement at 6 bar and+20°℃at the wade oufet,openg pessre buid-up0...90%,dosing pressue educion 10...10% | |
























|
|
Servo-assisted 2/2-way Diaphragm Valve with Steel Material and Brass Solenoid Valve Images |